Forum Discussion

mainster's avatar
mainster
Copper Contributor
Sep 04, 2019

Offset diagonal connections between shapes

Hello community,

I'm a Visio newbie and I am not able to figure out how to generate diagonal connection lines.

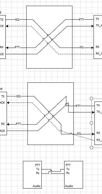
In the upper part of my attachment you can see what I'm trying to do (offset diagonal connections). This solution is not straight-forward  as you can see the problem in the center part of the image. Can somebody assist me how to draw 45° edges for the connection wires?

 

Sincerly,

Manuel Del Basso

 

 

1 Reply

  • Iain Fielding's avatar
    Iain Fielding
    Copper Contributor

    mainster 

     

    So if i understand what your trying to do:

     

    Your starting with a drawing with 2 connectors which don't align neatly 

     Visio diagram with 2 boxes with right angle connectors with

    And your looking to get the connectors to be straight not right angled like:

    visio diagram with 2 boxes with straight connectors

     to do this highlight the connectors and choose straight instead of right angled:

    visio screenshot showing how to change connector type

     

     

     

Resources